Деталі продукту
1. Основні технічні параметри:
1. Застосовні підкладки: різні плівки та композитні плівки товщиною від 0,012 до 0,023 мм;
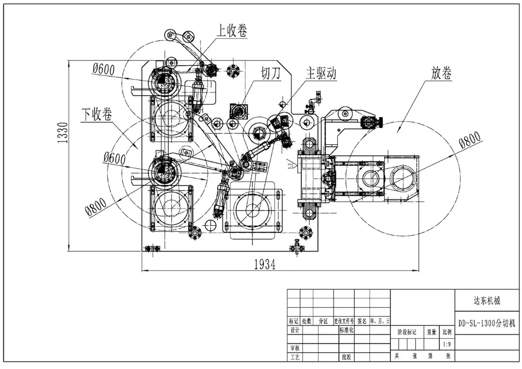
2. Механічна швидкість: 300 метрів за хвилину;
3. Максимальна ширина мембрани: 1300 мм;
4. Мінімальна ширина мембрани: 400 мм;
5. Максимальний діаметр розмотування: 800 мм;
6. Максимальний діаметр рулону: Верхній вал 500 мм, Нижній вал 800 мм;
7. Ширина різання: мінімум 100 мм;
8. Дизайн обладнання: одиночне відтворення, подвійний прийом, вертикальний стиль;
9. Товщина стелажної дошки 50 мм.
10. Потужність: приблизно 13 кВт
2. Склад обладнання:
Частина А - Розділ підрахунку очок:
1) Безосьова розмотувальна форма.
2) Управляється ПЛК, приводиться в рух серводвигуном потужністю 5,5 кВт, а натяг під час розмотування контролюється контролером серводвигуна.
3) Виберіть вітчизняні пристрої для корекції країв.
4) Ведучий ролик: алюмінієвий сплав HV700 з анодованим покриттям, діаметр 80 мм. Воно зазнало анти-окислювальна обробка, анти-подряпин і анти-лікування стирання та лікування динамічного балансу з вагою менше 3 г.
5) Механізм розмотування має функцію автоматичного вирівнювання.
B Модуль різання:
1)Регулювання шестерні та черв'ячного механізму для руху леза вгору та вниз
2) Метод нарізки лезом, 15 ручок ножа, мінімальна ширина нарізки: 100 мм
3) Є ножовий канавок, з увігнутою канавкою шириною 2 мм і опуклою поверхнею шириною 1 мм.
4) Під стрижнем ножа є світлові трубки, які можуть освітлювати обидві сторони зон намотування та розмотування.
5) Структура крайнього всмоктування: оснащений одним витяжним вентилятором потужністю 1,5 кВт.
Головний диск C:
1) Головний роликовий привід: прямий сервопривід 3 кВт.
2) Вимірювання лічильником: автоматично відображає виміряну довжину та автоматично припиняє операцію, коли буде досягнуто налаштування довжини.
3) Основний валик: основний валик має форму єдиного головного сталевого валика, притиснутого до гумового валика, з динамічним балансом менше 3g.
D Розділ оцінювання:
4) Центральна обмотка, розділена на верхню і нижню частини. 3-дюймовий вал намотує 2 рулони.
5) Спосіб розряду: Повний розряд
6) Верхній і нижній намотувальні ролики оснащені притискними роликами. На обох кінцях напрямних роликів є пристрої регулювання балансування, які контролюються сумарним тиском циліндрів.
7) Коли верхня і нижня осі намотуються одночасно: максимальний діаметр намотування верхньої осі становить 600 мм, а максимальний діаметр намотування нижньої осі також становить 600 мм.
8) Під час ре-сортування: Максимальний діаметр рулону для верхнього валу становить 800 мм.
9) Верхній барабан приводиться в рух серводвигуном потужністю 4 кВт, а нижній барабан — серводвигуном потужністю 5,5 кВт.
10) Такі параметри, як натяг листа, можна встановити в головному меню сенсорного екрана.
E Електричне керування:
Вся машина управляється SIEMENS S7-SMART PLC.
На панелі є 7-дюймовий сенсорний екран Siemens разом із кнопками для запуску, зупинки натягу, увімкнення та вимкнення живлення.
Швидкість хоста контролюється потенціометром, встановленим на панелі.
Сенсорний екран використовується для налаштування та відображення параметрів усієї машини, таких як швидкість, постійна-довжина уповільнення, постійна-зупинка довжини тощо.
Використовуйте компоненти Schneider Electric. ПЛК і сенсорний екран контролюють загальну напругу машини.
F Пневматичні компоненти:
Використання компонентів пневматичного керування та циліндрів AIRTAC.
3、Постачальники основних компонентів
1) Електричний розділ
|
Ім'я |
Виробник |
Номер моделі |
Примітка |
|
Серводвигун і драйвер |
Гуандунський Ілес |
|
|
|
Сенсорний екран комп'ютера |
SIEMENS |
Smart 700IE |
|
|
Програмований логічний контролер (PLC) |
SIEMENS |
S7-200 |
|
|
Електричні компоненти |
Шнайдер (Шанхай) |
|
|
2) Механічна частина:
|
Ім'я |
Виробник |
Номер моделі |
Примітка |
|
Направляючий ролик |
Тайванське спільне підприємство |
Φ80 мм |
|
|
Надувний вал |
Чжуншань Сянтай |
|
|
|
Синхронний ремінь |
Фулонг |
|
|
|
Підшипники всіх роликів |
Харбінські підшипники |
|
|
3) Пневматична частина:
|
Ім'я |
Виробник |
Номер моделі |
Примітка |
|
Циліндр |
Airtac |
|
|
|
Електромагнітний клапан, роз'єм, збірка триплекс |
Airtac |
|
|

Попередній: Більше немає